|
TAPED
COMPONENTS |
LOOSE
COMPONENTS |
|
FOR TAPED
COMPONENTS, THE MACHINES CAN BE
MANUAL OR MOTORIZED
|
TO
USE THE LOOSE COMPONENTS MACHINES NEED TO BE MOTORIZED
|

TP6
Cut and bend
machine for axial components.
Several versions available designed for leads with lead diameters from .015 -
.055" (0.4-1.4mm)
ALL
TP6 Spec PDF
TP6 Spec PDF
|
 |
 |
20.OL01
STANDARD
LEAD Ø: 0,4
-1,2
(0.016" - 0.047") |
 |
20.OL04
REINFORCED
LEAD Ø: 0,6 – 1,4
(0.024" - 0.055") |
|
 |
20.OL06
REDUCED
LEAD Ø: 0,4 – 0,8
(0.016" - 0.031") |
 |
20.OL07 / 9 / 10
REDUCED FIX PITCH
LEAD Ø: 0,4 – 0,6
(0.016" - 0.024") |
 |
20.OL0130
STRAIGHT CUT |

TP6/M
A
Motor-98
can be connected to the manual TP6 machine.
BODY GUIDES
When it is necessary to bend very close to the body
and the components are not taped with the component body properly centered,
the body guides feed the tape by keeping the component body centered at all
times.
The body guides are used instead of the tape guides.
More Body Guides
info
PDF
We also offer
Hand
Tools for Cut, Form or Cut & Form.
The following video shows the
TP6/EC machine.
The TP6/EC is the Economy version of the TP6 and works exactly the same way. The only difference is that the TP6 can be motorized and can use the loose
feeder CS10 and the economy machine cannot.
|

TP6/A
TP6 machine with
Motor-98
and
CS10
loose parts feeder. See other
accessories available.
Video of
the CS10.
Do not want to buy a motor and loose parts feeder but still have to prep
loose parts?
We have
tape guides
suitable for loose components that facilitate feeding low volumes
of loose parts:

More info
PDF
|
|
|

TP6-D
Axial Cut and Bend machine for Axial Components with Delrin Inner
Discs.

The TP6-D cuts & bends axial components as the regular
TP6,
with the difference that this machine has Delrin instead of metal inner
discs so it will not mark the surface of the leads of the components when
it bends them.
This is important when working with very small and delicate components and
for Military applications.
|
 |
|
20.OL11 |
Standard machine |
|
20.OL12 |
Reinforced machine |
Minimum cutting
length "B" = 4.6mm and
maximum lead diameter "d" = 0.8mm |
TP6/D-M
A
Motor-98
can be connected to the manual TP6/D machine.
ALL
TP6 Spec PDF
TP6/D Spec PDF
|

TP6/D-A
TP6/D machine with
Motor-98
and
CS10
loose parts feeder.
|
|
|


TP6/97
Cutting and bending machine for axial components with Quick-set-up
This system automatically
adjusts the bending wheels, reducing the
set-up time and making it easier.
This system is available with the some versions of the TP6 machine.
 |
 |
20.OL01/97
STANDARD
LEAD Ø: 0,4
-1,2
(0.016" - 0.047")
|
 |
20.OL04/97
REINFORCED
LEAD Ø: 0,6 – 1,4
(0.024" - 0.055") |
 |
20.OL06/97
REDUCED
LEAD Ø: 0,4 – 0,8
(0.016" - 0.031") |
IMPORTANT: the maximum pitch "P" that can be achieved with
the /97 system is 40mm, and the maximum “B” is 10mm
TP6/97-M
A
Motor-98
can be connected to the manual TP6/97 machine.
ALL
TP6 Spec PDF
TP6/97 Specs
PDF
|

TP6/97-A
TP6/PR-B machine with
Motor-98
and
CS10
loose parts feeder.
|
|
|
 
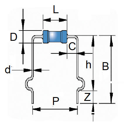
TP6/PR-B
Cutting, bending and forming machine for axial components.
The form obtained
is a Stand-off which keeps the body of the component off the board. No dies
are required.
Large diameter components only:
.039-.055"
(1-1.4mm)
 |
 |
STANDARD
LEAD
Ø: 1 – 1,3mm
40.OL21 Z=3,1mmm
40.OL31 Z=3,9mm
40.OL24 Z=5mm
|
 |
REINFORCED
LEAD Ø: 1 – 1,4mm
40.OL22
Z=3,1mm
40.OL32 Z=3,9mm
40.OL25 Z=5mm
|
 |
NOTE:
With the TP6/PR-B it is possible to eliminate the stand-off form
substituting the cutting/forming wheels with "only cutting wheels"
|
TP6/PR-B/M
A
Motor-98
can be connected to the manual TP6/PR-B machine.
TP6/PR-B Specs
PDF
|

TP6/PR-B/A
TP6/PR-B machine with
Motor-98
and
CS10
loose parts feeder.
|
|
|
 
TP6/PR-F
Cut, bend and form machine
for axial components.
Three versions are available depending on the lead
diameter of the components:
1. TP6/PR-F/1 -
.019-.035 " (0.5-0.9mm)
2. TP6/PR-F/2 - .031-.039 " (0.8-1mm)
3. TP6/PR-F/3 -
.039-.051 " (1-1.3mm)
Various dies are available for each version.
The
TNS is always supplied with this
machine:

TP6/PR-F Specs
PDF
|
TP6/PR-F/1
.019-.035 " (0.5-0.9mm)
Most popular
dies: |
 |
STAND-OFF LOCK-IN DIES

|
 |
STAND-OFF DIES

|
 |
STAND-OFF REDUCE PITCH DIES

|
TP6/PR-F/1 Specs
PDF
|
TP6/PR-F/2
.031-.039 " (0.8-1mm)
Most popular dies: |
 |
STAND-OFF LOCK-IN DIES

|
 |
STAND-OFF DIES

|
 |
STAND-OFF REDUCE PITCH DIES

|
TP6/PR-F/2 Specs
PDF
|
TP6/PR-F/3
.039-.051 " (1-1.3mm)
Dies available: |
 |
STAND-OFF DIE

|
 |
STAND-OFF REDUCE
PITCH DIE 
|
 |
CUT AND BEND DIE

|
TP6/PR-F/3 Specs
PDF |

TP6/PR-F/A
TP6/PR-F machine with
Motor-98/A
and
CS40
loose parts feeder.
|
|
|
 
TP6/V
Cut and bend machine for axial components for vertical mount.
Two main versions are available.
The first one for components with lead
diameters .019-.031" (0.5-0.8mm).
The second one for thicker leads
.031-.051" (0.8-1.3mm).
Tooling for different pitches is available.
TP6/V Specs
PDF
|
Machines for Lead Diameters
0.5-0.8mm - .019-.031" |
|
 |
 |
80.OL01
P = 2.54mm
(.100")
LEAD Ø: 0,5 - 0,8mm
(0.019" - 0.031") |
| |
80.OL03
P = 3.8mm
(.150")
LEAD Ø: 0,5 - 0,8mm
(0.019" - 0.031") |
|
 |
80.OL04
P
= 5.08mm (.200")
LEAD Ø: 0,5 - 0,8mm
(0.019" - 0.031") |
 |
80.OL05
P
= 7.62mm (.300")
LEAD Ø: 0,5 - 0,8mm
(0.019" - 0.031") |
|
Machines for Lead Diameters
0.8-1.3mm - .031-.051" |
|
 |
|
 |
80.OL21
STANDARD
P = 3.8mm
(.150")
LEAD Ø: 0,8 - 1.3
mm
(0.031 - 0.051") |
|
 |
80.OL22
P
= 5.08mm (.200")
LEAD Ø: 0,8 - 1.3
mm
(0.031 - 0.051") |
 |
80.OL23
P
= 7.62mm (.300")
LEAD Ø: 0,8 - 1.3
mm
(0.031 - 0.051") |
|

TP6/V-A
TP6/V machine with
Motor
98
and
CS30
loose parts feeder.
|
|
|
 
TP6/V-PR
Cut, bend and form machine
for axial components for vertical mount.
The standard form will lock the component into the PCB. Handles
components with lead diameters from .019-.031" (0.5-0.8mm).
Pitches .100" (2.54mm) and .200" (5.08mm) are available.
TP6/V-PR Specs PDF |

TP6/V-PR/A
TP6/V-PR machine with
Motor-98/A
and CS20
loose parts feeder. |
|
|

TP6/S
Cutting, bending and forming
machine for axial components for SMD.
This is a special machine and it is necessary to obtain all dimensions when
ordering.
TP6/S Specs PDF
|

TP6/S/A
TP6/S machine with
Motor-98
and
CS10
loose parts
feeder.
|
|
For Hand Tools to cut and
form
click here
|
|